Agora-Tec® Pumpensteuerung DWv-18-LCD – Einstellbar, verkabelt
Einklappbarer Inhalt
Produktbeschreibung
Diese vorverkabelte Pumpensteuerung automatisiert Ihre Hochdruckpumpe mit höchster Präzision. Sie bietet umfassende Kontroll- und Überwachungsfunktionen über ein übersichtliches LCD-Display für ein zuverlässiges Wassermanagement.
Merkmale
- Automatische Steuerung (Ein- und Ausschalten) von Pumpen
- Manuell einstellbarer Ein- und Ausschaltdruck für flexible Anpassung
- Integriertes LCD-Display zur Anzeige von Betriebszustand, Druck und Störungen
- Umfassende Schutzfunktionen: Trockenlaufschutz, Überdrucküberwachung und Leckage-Anzeige
- Integrierte 24-Stunden-Zwangsstartfunktion gegen Festsetzen der Pumpe
- Hochwertige Komponenten wie Rückschlagventil und Drucksensor aus massivem Messing
Vorteile
Dank des individuell einstellbaren Ein- und Ausschaltdrucks passen Sie die Steuerung perfekt an die Anforderungen Ihres Systems an. Der Einschaltdruck wird komfortabel als prozentualer Wert zum Ausschaltdruck definiert, was eine feine Abstimmung ermöglicht. Das übersichtliche LCD-Display informiert Sie in Echtzeit über Fliess- und Ruhedruck und gibt Ihnen so jederzeit die volle Kontrolle über Ihre Anlage.
Diese Steuerung schützt Ihre Pumpe wirksam vor Schäden. Der integrierte Trockenlaufschutz schaltet bei Wassermangel automatisch ab und kann optional stündlich einen Neustartversuch unternehmen. Zusätzlich sichert sie Ihre Anlage vor Überdruck von mehr als 10 bar und warnt bei möglichen Leckagen im Verbrauchernetz. Der 24-Stunden-Zwangsstart verhindert ein Festsetzen der Pumpe bei langen Stillstandzeiten und sichert so ihre Langlebigkeit.
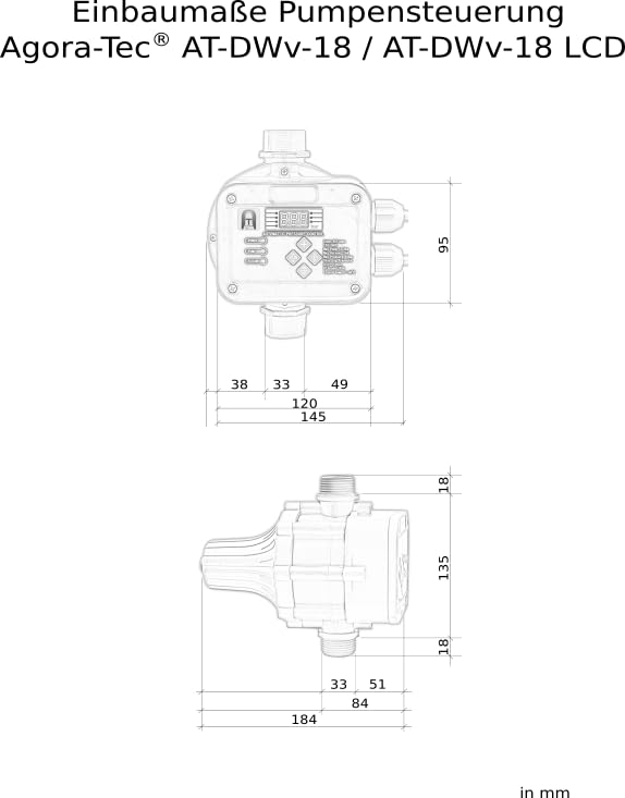
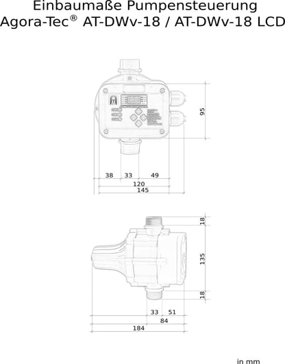
Die Installation ist nur senkrecht möglich. Bei Pumpen mit einem Druck von über 9,8 bar wird die Installation eines Druckminderers vor der Steuerung empfohlen.
Technische Details
- Spannung: 230V / 50 Hz
- Schaltleistung: max. 16 A
- Schutzklasse: IP 54
- Einschaltdruck: 0,3 bis 7,9 bar (einstellbar, 30-80 % des Ausschaltdrucks)
- Ausschaltdruck: 0,5 bis 9,8 bar (einstellbar)
- Maximaler Betriebsdruck: 10 bar
- Maximale Wassertemperatur: 60°C
- Anschlüsse: 2 x 1 Zoll Aussengewinde (AG)
- Minimaler Durchfluss: 1 l/min
- Verkabelung: 1,40 m Anschlusskabel mit Stecker, 0,40 m mit Steckdose
- Gewicht: 1,5 kg
- Lieferumfang: 1x Pumpensteuerung DWv-18-LCD (verkabelt), Deutsche Bedienungsanleitung
Mit dieser intelligenten Steuerungseinheit sorgen Sie für einen effizienten und sicheren Betrieb Ihrer Pumpenanlage – ideal für Haus und Garten.
Einklappbarer Inhalt
Bewertungen
Einklappbarer Inhalt
Bestseller Sanitärinstallation
Einklappbarer Inhalt
Bestseller Bad + Sanitär
Einklappbarer Inhalt
Häufig gestellte Fragen zum Produkt
Wie stelle ich den Ein- und Ausschaltdruck bei dieser Pumpensteuerung ein?
Sie können den Ein- und Ausschaltdruck manuell und flexibel an Ihr System anpassen. Der Ausschaltdruck ist von 0,5 bis 9,8 bar einstellbar. Der Einschaltdruck wird dann komfortabel als prozentualer Wert (30-80 %) des eingestellten Ausschaltdrucks definiert, was eine sehr präzise Feinabstimmung ermöglicht. Alle Einstellungen erfolgen über das übersichtliche LCD-Display.
Welche Schutzfunktionen hat die Steuerung, um meine Pumpe zu sichern?
Die Steuerung bietet umfassenden Schutz für Ihre Pumpe: 1. Trockenlaufschutz, der die Pumpe bei Wassermangel automatisch abschaltet. 2. Überdrucküberwachung, die Ihre Anlage vor Drücken über 10 bar schützt. 3. Eine Leckage-Anzeige, die auf mögliche Undichtigkeiten im System hinweist. 4. Eine 24-Stunden-Zwangsstartfunktion, die ein Festsetzen der Pumpe bei langen Stillstandzeiten verhindert und so ihre Langlebigkeit sichert.
Für welche Pumpen und Anwendungen ist der Druckschalter DWv-18-LCD geeignet?
Diese vorverkabelte Steuerung ist ideal für die Automatisierung von Hochdruckpumpen in Hauswasserwerken, für die Gartenbewässerung und andere Wassermanagementsysteme in Haus und Garten. Sie eignet sich für die meisten gängigen 230V-Pumpen wie Tiefbrunnenpumpen, Kreiselpumpen oder Gartenpumpen, solange die maximale Schaltleistung von 16 A nicht überschritten wird.
Was bedeutet 'vorverkabelt' und was muss ich bei der Installation beachten?
Vorverkabelt' bedeutet, dass die Steuerung bereits mit einem 1,40 m langen Anschlusskabel mit Stecker und einem 0,40 m langen Kabel mit Steckdose ausgestattet ist. Dies vereinfacht die Installation erheblich (Plug-and-Play). Wichtig bei der Montage ist, dass die Steuerung nur senkrecht installiert werden darf. Bei Pumpen mit einem Druck von über 9,8 bar wird die Installation eines Druckminderers vor der Steuerung empfohlen.
Wie genau funktioniert der Trockenlaufschutz mit dem optionalen Neustart?
Wenn die Steuerung erkennt, dass kein Wasser mehr fliesst (z.B. weil der Brunnen leer ist), schaltet sie die Pumpe sofort ab, um Schäden durch Überhitzung zu verhindern. Sie können optional eine Funktion aktivieren, bei der die Steuerung stündlich selbstständig einen Neustartversuch unternimmt. So prüft sie automatisch, ob wieder Wasser verfügbar ist, und nimmt den Betrieb wieder auf, ohne dass ein manueller Eingriff nötig ist.
Häufig gestellte Fragen zu pandaloo.ch
Bestellung
Wie kann ich bei pandaloo.ch eine Bestellung aufgeben?
Sie können bei pandaloo.ch rund um die Uhr bequem online bestellen. Legen Sie einfach die gewünschten Produkte in den Warenkorb und gehen Sie zur Kasse. Dort geben Sie Ihre Lieferadresse ein und wählen die gewünschte Zahlungsmethode. Nach Bestellbestätigung erhalten Sie eine E-Mail mit allen Details zu Ihrer Bestellung.
Brauche ich ein Kundenkonto, um zu bestellen?
Nein, Sie können auch als Gast bestellen, ohne ein Kundenkonto anzulegen. Wir empfehlen jedoch die Erstellung eines Kontos, damit Sie den Bestellstatus einsehen und zukünftige Bestellungen schneller abwickeln können. Selbstverständlich behandeln wir Ihre Daten vertraulich und verwenden sie nur zur Bestellabwicklung.
Kann ich meine Bestellung nachträglich ändern oder stornieren?
Wenn Sie Ihre Bestellung anpassen oder stornieren möchten, stellen Sie bitte ausschliesslich über unser Serviceportal für Rückgabe, Garantie & Transportschäden eine Anfrage. Solange Ihre Bestellung noch nicht versandt wurde, werden wir Ihr Anliegen gerne prüfen. Bitte beachten Sie, dass eine Änderung oder Stornierung nicht mehr möglich ist, nachdem der Versandprozess begonnen hat.
Lieferung
Wohin liefert pandaloo.ch und fallen Zollgebühren an?
pandaloo.ch liefert ausschliesslich innerhalb der Schweiz (inklusive Liechtenstein). Obwohl die Lieferung aus Europa erfolgt, müssen Sie sich keine Sorgen um Zoll oder zusätzliche Gebühren machen. Als Schweizer Unternehmen kümmern wir uns um alle Importformalitäten – es kommen keine versteckten Kosten auf Sie zu. Alle Preise verstehen sich in Schweizer Franken (CHF) inklusive der Schweizer Mehrwertsteuer.
Wie lange dauert die Lieferung?
Aufgrund des Versands aus Europa beträgt die Lieferzeit in der Regel ca. 5 bis 8 Werktage. Sobald Ihre Bestellung versandt wurde, erhalten Sie eine Versandbestätigung per E-Mail. Darin finden Sie auch eine Sendungsverfolgungsnummer, mit der Sie den Status Ihrer Lieferung jederzeit online verfolgen können. Wir bitten um Verständnis, dass die Zustellung etwas länger dauert als bei einem lokalen Versand – wir möchten dafür mit günstigen Preisen und sorgfältig ausgewähltem Sortiment überzeugen.
Kann ich den Versand meiner Bestellung nachverfolgen?
Ja. Sobald Ihre Bestellung auf dem Weg ist, erhalten Sie von uns eine E-Mail mit einem Tracking-Link. Über diesen Link können Sie den Fortschritt Ihrer Lieferung online verfolgen. So wissen Sie immer genau, wo sich Ihr Paket befindet und wann es voraussichtlich zugestellt wird.
Rückgabe & Garantie
Kann ich einen Artikel zurückgeben, wenn er mir nicht gefällt?
Ja, pandaloo.ch bietet Ihnen ein freiwilliges 30-tägiges Rückgaberecht an. Ihre Zufriedenheit steht bei uns an erster Stelle – Sie können Artikel innerhalb von 30 Tagen nach Erhalt ohne Angabe von Gründen zurücksenden. Die Rücksendekosten betragen pauschal CHF 18.– (ausgenommen bei Transportschäden oder Garantiefällen), die Erstattung erfolgt auf das ursprünglich gewählte Zahlungsmittel. Rückgabe- oder Umtauschanfragen müssen immer über unser Serviceportal gestellt werden.
Was mache ich, wenn ein gelieferter Artikel defekt ist oder ein Problem auftritt?
Unabhängig von Ihrem 30-tägigen Rückgaberecht gilt: Sollte ein Produkt einmal defekt ankommen oder innerhalb der Garantiezeit einen Mangel aufweisen, lassen wir Sie nicht im Stich. Bitte melden Sie den Defekt ausschliesslich über unser Serviceportal für Rückgabe, Garantie & Transportschäden. Geben Sie dabei Ihre Bestellnummer, eine Beschreibung des Problems sowie ein Foto an. Wir klären das weitere Vorgehen umgehend mit Ihnen.
Qualität & Sortiment
Wie wählt pandaloo.ch die angebotenen Produkte aus?
Unser Sortiment ist sorgfältig kuratiert, um Ihnen nur bewährte Produkte anzubieten. Das bedeutet, wir prüfen jedes Produkt gründlich, bevor wir es in unseren Shop aufnehmen. Wir führen ausschliesslich Artikel, die bereits durch Qualität und Kundenzufriedenheit überzeugt haben.
Sind die Produkte neu und originalverpackt?
Ja, alle angebotenen Produkte sind neu, originalverpackt und werden difrekt von offiziellen Herstellern oder autorisierten Distributoren bezogen. Wir verkaufen keine B-Ware oder gebrauchte Artikel. Zudem handelt es sich selbstverständlich um Originalprodukte – Sie erhalten dieselbe Herstellergarantie und Qualität wie bei jedem autorisierten Fachhändler.
Zahlung
Welche Zahlungsmethoden werden akzeptiert und ist die Zahlung sicher?
Wir bieten Ihnen gängige und sichere Zahlungsmethoden an, damit Sie flexibel bezahlen können. Akzeptiert werden unter anderem:
- TWINT
- Kreditkarten (Visa, MasterCard, American Express)
- Kauf auf Rechnung (Zahlung nach Erhalt der Ware, Bonitätsprüfung vorbehalten)
Alle Transaktionen werden sicher über verschlüsselte Verbindungen abgewickelt. Ihre Zahlungsdaten werden vertraulich behandelt und nicht bei uns gespeichert. Unabhängig von der gewählten Methode bezahlen Sie bei pandaloo.ch immer in Schweizer Franken (CHF) – es fallen keine Währungsgebühren an.
Support & Kontakt
Wie kann ich den Kundenservice von pandaloo.ch erreichen?
Unser Kundendienst steht Ihnen gerne per E-Mail zur Verfügung. Bei allgemeinen Fragen schreiben Sie uns bitte an info@pandaloo.ch. Rückgabe-, Garantie-, Stornierungs- oder Umtauschanfragen stellen Sie bitte ausschliesslich über unser Serviceportal. So können wir Ihr Anliegen effizient und schnell bearbeiten. Bitte beachten Sie, dass wir derzeit keine telefonische Hotline anbieten.
Über pandaloo.ch
Ist pandaloo.ch ein Schweizer Unternehmen?
Ja, pandaloo.ch ist eine Schweizer Firma. Wir sind eine Aktiengesellschaft (pandaloo.ch AG) mit Sitz in Appenzell (Haslenstrasse 13, 9050 Appenzell). Als Schweizer Webshop unterliegen wir den hiesigen Gesetzen und Konsumentenschutzbestimmungen, was Ihnen zusätzliche Sicherheit bietet. Wir legen grossen Wert auf Transparenz: Alle wichtigen Informationen – von den Allgemeinen Geschäftsbedingungen (AGB) über die Datenschutzrichtlinien bis zu Versand- und Garantiebedingungen – sind auf unserer Website klar kommuniziert, sodass Sie jederzeit genau wissen, worauf Sie sich einlassen.
Warum sind die Preise bei pandaloo.ch oft günstiger als bei der Konkurrenz?
Unser Ziel ist es, Ihnen Top-Qualität zum besten Preis zu bieten. Durch unser schlankes Geschäftsmodell und die Fokussierung auf ein ausgewähltes Sortiment können wir Kosten einsparen, die wir in Form von günstigeren Preisen an Sie weitergeben. Sie profitieren also von einem echten Preisvorteil, ohne auf Qualität verzichten zu müssen. Gleichzeitig bleiben wir ein lokaler Schweizer Anbieter, der fairen Service und transparente Bedingungen bietet – so verbinden wir das Beste aus beiden Welten für unsere Kunden.



